漢德保電機總結步進電機驅動電路的種類
文章出處:漢德保(HDB MOTOR)電機 人氣:1819發表時間:2022-05-11
在步進電機中,有很多入行或者剛入行的工程師會問,作為電源驅動的電機產品,步進電機在驅動電路的種類方法有那些?下面漢德保小編就總結一下步進電機驅動電路的種類構造分解一下給大家,一起了解一下:
按照步進電機電路結構區分,種類是很多的,但是常用的驅動電路的種類可以分為以下三種:
1、單電源驅動電路
漢德保小編整個圖片給大家直觀了解一下:
單電源驅動電路圖
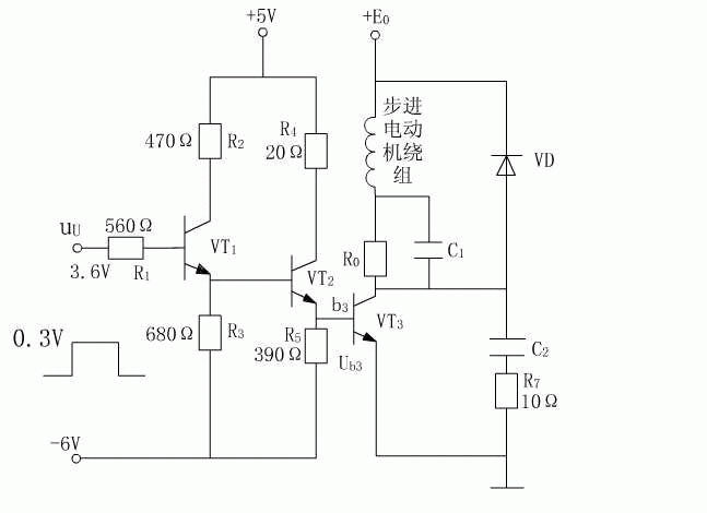
2、雙電源驅動電路
廢話不多說,上圖
雙電源低壓驅動電路
3、伺服控制
(1)執行部件的位移量控制
(2)執行部件移動速度的控制
(3)執行部件移動方向的控制
以上就是小編總結的步進電機驅動電路的種類,才華有限,分享不到,歡迎大家指點。
可以關注漢德保電機,18年品質制造,專注于步進電機,驅動革命,為大家帶來更加美好的自動化產業!
下一篇:步進電機驅動器的超強記憶功能上一篇:磁阻式步進電機工作原理
此文關鍵詞:
同類文章排行
- 外轉子電機和內轉子電機的優缺點
- 步進電機接線圖圖解以及步進電機接線顏色的定義
- 42步進電機參數詳細
- 圖解步進電機基本結構和工作原理
- 如何實現步進電機正反轉方向調節?
- 步距角是什么?步距角是怎么算出來的?
- 伺服電機怎么接線圖
- 步進電機接線問題!三張接線圖立馬幫您解決
- 步進電機的用途及優勢特點
- 步進電機四根線怎么接
最新資訊文章
- 57步進電機參數,57mm二相開環步進電機選型
- 步進電機帶剎車,抱閘步進電機的優勢特點
- 力矩的計算公式以及如何運算,精心整理值得收藏
- 1000線閉環步進電機和2500線閉環步進電機的區別和選型
- 工業級直流無刷電機的工作原理,整理于網絡僅供學習參考
- 三差分通道的42閉環步進電機,你了解多少?
- 了解步進電機工作原理,才能正確選擇步進電機
- 絲桿步進電機和步進電機的區別,主要在這兩點
- 步進電機和伺服電機的區別,各具特色,各領風騷
- 步進電機選型看這些,小白也能懂
- 關于二相步進電機,從5個方面給你講清楚
- ZPS115行星減速機
- ZSPLF90行星減速機
- ZSPLF60行星減速機選型
- 轉角輸出ZPS42行星減速機選型
- SPLF120行星減速機的選型
- SPLF90伺服行星減速機選型
- SPLF60伺服行星減速機的特點和選型介紹
- PS42行星減速機的特點和選型介紹
- 方形輸出的PLF60行星減速機

